
Type designation

Technical data
| Type | Rated voltage ratio(V) | Accuracy class and rated output(VA) | Discharge capacity (Mvar) | Rated insulation level(kV) | ||
| 0.5 | 1 | 6P | ||||
| FDZE9/38.5/√3(4~10)1N | 38.5/√3/0.1 38.5/√3/0.1/√3/0.1/3 | 50 | 100 | 100 | 4~9 | 40.5/95/200 |
| FDZE9/41.5/√3(1.7-4)1N | 41.5/√3/0.1 41.5/√3/0.1/√3/0.1/3 | |||||
Note: such as the scope of technical parameters in the table above that, please determine again after consultation with our company.
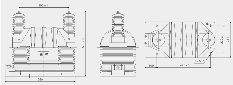
Drawing and dimention

Principle diagram

Contact: Lankecms
Phone: 13933336666
E-mail: Lankecms@163.com
Add: Guangdong Province, China TianHe District, GuangZhou Num 899