
Type designation

Technical data
| Maximum voltage | 12kV |
| Load switch rated current | 400A |
| Rated making current | 4000A |
| Limiting breaking current | 5000A |
| Contact opening distance | 5±0.5mm |
| Overtravel | 1.5+0.3mm |
| Switch closing time | ≤170ms |
| Brake switch points of time | ≤150ms |
| Control circuit voltage | AC220V |
| Voltage transformer | 10000:100V(0.2/20VA) |
| Current Transformer | 5/5~300/5(0.2S/10VA) |
| Primary and secondary ground pressure test | 35kV,1min |
| Secondary and control circuit to ground | 2kV,1min |
| Mechanical life(10000) | 100 |
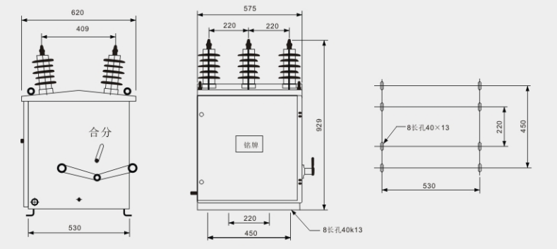
Drawing and dimention


Principle diagram


Contact: Lankecms
Phone: 13933336666
E-mail: Lankecms@163.com
Add: Guangdong Province, China TianHe District, GuangZhou Num 899