
Type designation

Technical data
1.rated voltage 35 kv
2.accurate rating:0.2 and 0.2 S
3.rated voltage ratio:35000/√3/100/√3V
Rated primary current:5~800 A
Rated secondary current: 5 A or 1 A
4.rated capacity: current 0.2s-class 15VA; 30VA voltage part 0.2 on the Richter scale
5.rated short-time current ratio (lth): 75 i1n/s
6.rated dynamic thermal stability: 2.5 lth
| Rated voltage ratio(V) | Accuracy class and rated output(VA) | Max output(VA) | Rated insulation level(kV) |
| class 0.2 | |||
| 3500/√3/100/√3 | 3×30 | 3×600 | 40.5/95/200 |
| Rated primary current ( A ) | Accuracy class combination | Rated output(VA) | Short-time thermal current (kA/1S) | Rated dynamic current(kA) |
| 0.2S | ||||
| 5-100 | 0.2S 0.2S/0.2S | 15 15/15 | 75l1n | 250l1n |
| 150 | ||||
| 200 | ||||
| 300 | ||||
| 400 | ||||
| 500 | ||||
| 600-800 |
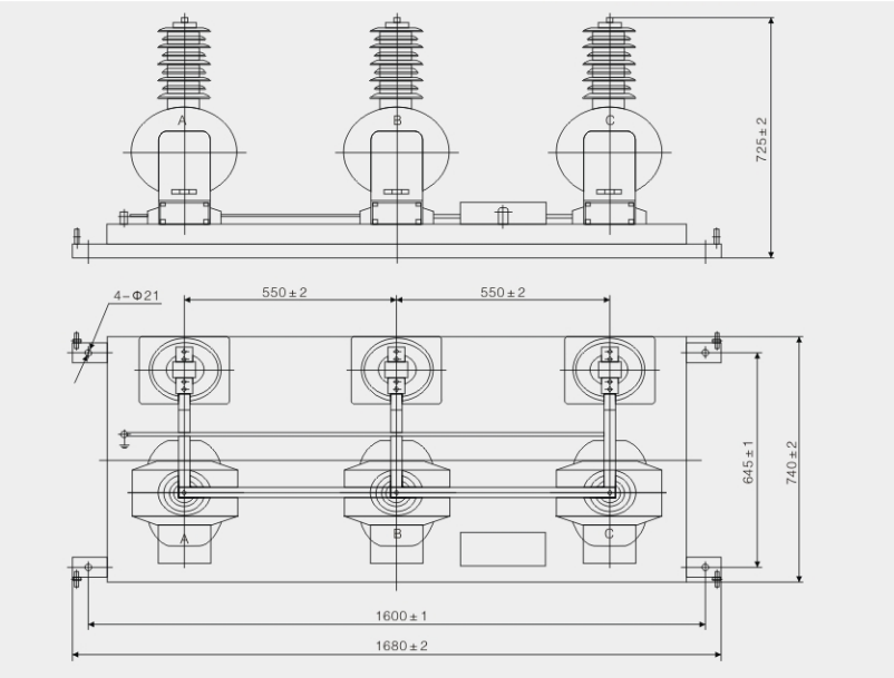
Drawing and dimention

Principle diagram

Contact: Lankecms
Phone: 13933336666
E-mail: Lankecms@163.com
Add: Guangdong Province, China TianHe District, GuangZhou Num 899