
Type designation

Technical data
| Form1: technical data of voltage transformer for measuring | |||||||
| Type | Rated voltage ratio(V) | Accuracy class and rated output(VA) | Max output (VA) | Rated insulation level(kV) | |||
| 0.2 | 0.5 | 1 | 6P | ||||
| JSZJK2-10 JSZJK2-6 JSZJK2-3 | 10000/√3/100/√3/100 | 15 | 30 | 60 | 50 | 400 | 12/42/75 |
| 6000/√3/100/√3/100 | 7.2/32/60 | ||||||
| 3000/√3/100/√3/100 | 3.6/25/40 | ||||||
| JSZJK2-10 JSZJK2-6 JSZJK2-3 | 10000/√3/100/√3/100/√3/100 | 15 | 30 | 60 | 50 | 300 | 12/42/75 |
| 6000/√3/100/√3/100/√3/100 | 7.2/32/60 | ||||||
| 3000/√3/100/100/√3/100 | 3.6/25/40 | ||||||
Drawing and dimention

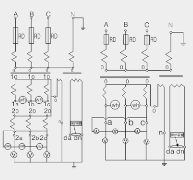
Principle diagram

Contact: Lankecms
Phone: 13933336666
E-mail: Lankecms@163.com
Add: Guangdong Province, China TianHe District, GuangZhou Num 899