
Type designation

Technical data
| Type | Rated primary current (A) | Rated secondary current lin (A) | Rated secondary load(VA) 0.2S | Power factor(cosφ) | Cross-core turn number | Notes |
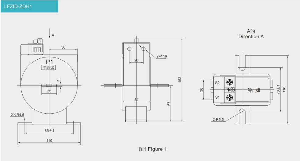
| LFZ1D-ZDH1 | 5-60 | 5 | 5/2.5 | 0.8 | / | Figure 1 |
| LMZ1D-ZDH2 | 75-150 | 5 | 5/2.5 | 0.8 | 1 | Figure2 |
| LMZ2D-ZDH3 | 200-500 | 5 | 5/2.5 | 0.8 | 1 | Figure 3 |
| LMZ3D-ZDH4 | 600 | 5 | 10/3.75 | 0.8 | 1 | Figure 4 |
| LMZ4D-ZDH5 | 800-1500 | 5 | 10/3.75 | 0.8 | 1 | Figure 5 |
Drawing and dimention





Contact: Lankecms
Phone: 13933336666
E-mail: Lankecms@163.com
Add: Guangdong Province, China TianHe District, GuangZhou Num 899