
Technical data
| Current transformers are ln accurdance with the Shanghai Standards Q/JB 3380-84. | |||
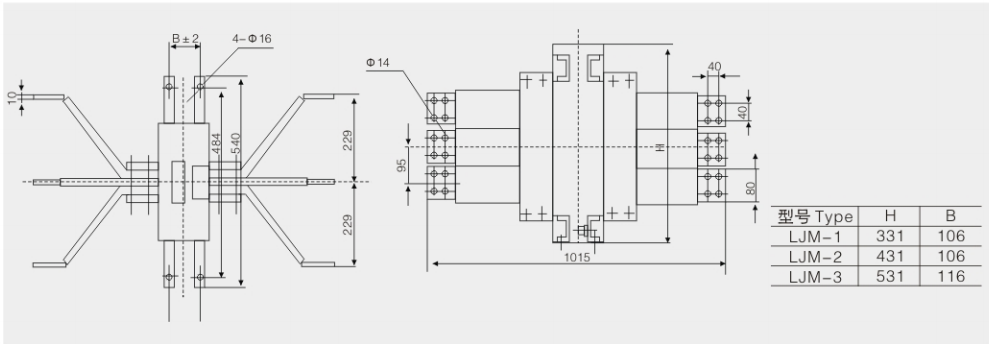
| Type | LJM-1 | LJM-2 | LJM-3 |
| Rated primary ourrent(A) | 1750 | 3000 | 4000 |
| Rated secondary current(A) | 5 | 5 | 5 |
| Frequency(Hz) | 50 | 50 | 50 |
| lth(kA) | 24 | 48 | 72 |
| Idyn(kA) | 2.5lth | 2.5lth | 2.5 Ith |
| Max.short-circult impulse current(kA) | 165 | 165 | 165 |
| Unbalancing Voltage(mV) | <60 | <85 | <100 |
| Insulation level(kV) | 6/32 | 10/42 | 15/55 |
Note: 1. As secondary windings are paralled connection, exciting resistance>100 Ω
2. Three kinds of rated voltage 6,10,16kV
Drawing and dimention

When ordering, please specify the following
Insulation level;
Ratio primary and secondary voltage;
Number of cores, output and accuracy class;
Test specification.
Contact: Lankecms
Phone: 13933336666
E-mail: Lankecms@163.com
Add: Guangdong Province, China TianHe District, GuangZhou Num 899