
Type designation

Technical data
| Type | Rated current ratio (kV) | Rated secondary output(VA) | Cross-core turn number | Notes | |||
| class1 | class0.5 | class0.5S | class0.2 | ||||
| BH-0.66 I (solid) | 5/5 | 5 | 2.5 | / | / | / | Figure 1 |
| 10/5 | 5 | 2.5 | / | / | / | ||
| 15/5 | 5 | 2.5 | / | / | / | ||
| 20/5 | 5 | 2.5 | / | / | / | ||
| 25/5 | 5 | 2.5 | / | / | / | ||
| 30/5 | 5 | 2.5 | / | / | / | ||
| 40/5 | 5 | 2.5 | / | / | / | ||
| 50/5 | 5 | 2.5 | / | / | / | ||
| 75/5 | 5 | 2.5 | / | / | / | ||
| BH-0.66 30 I | 30/5 | 5 | 2.5 | / | / | 5 | Figure 2 |
| 50/5 | 5 | 2.5 | / | / | 3 | ||
| 75/5 | 5 | 2.5 | / | / | 2 | ||
| 75/5 | 2.5 | / | / | / | 1 | ||
| 100/5 | 2.5 | / | / | / | 1 | ||
| 100/5 | 5 | 5 | / | / | 2 | ||
| 150/5 | 5 | 2.5 | / | / | 1 | ||
| 200/5 | 5 | 5 | / | / | 1 | ||
| 250/5 | 5 | 5 | / | / | 1 | ||
| 300/5 | 5 | 5 | / | / | 1 | ||
| 400/5 | 5 | 5 | / | / | 1 | ||
| BH-0.66 30 I B | 30/5 | / | / | 2.5 | 2.5 | 5 | Figure 3 |
| 50/5 | / | / | 2.5 | 2.5 | 3 | ||
| 75/5 | / | / | 2.5 | 2.5 | 2 | ||
| 75/5 | 5 | 2.5 | / | / | 1 | ||
| 100/5 | 5 | 2.5 | / | / | 1 | ||
| 100/5 | / | / | 5 | 5 | 2 | ||
| 150/5 | / | / | 2.5 | 2.5 | 1 | ||
| 200/5 | / | / | 5 | 5 | 1 | ||
| 250/5 | / | / | 5 | 5 | 1 | ||
| 300/5 | / | / | 5 | 5 | 1 | ||
| BH-0.66 40 I | 30/5 | 5 | 2.5 | / | / | 5 | Figure 4 |
| 50/5 | 5 | 2.5 | / | / | 3 | ||
| 75/5 | 5 | 2.5 | / | / | 2 | ||
| 75/5 | 2.5 | / | / | / | 1 | ||
| 100/5 | 2.5 | / | / | / | 1 | ||
| 100/5 | 5 | 5 | / | / | 2 | ||
| 150/5 | 5 | 2.5 | / | / | 1 | ||
| 200/5 | 5 | 5 | / | / | 1 | ||
| 250/5 | 5 | 5 | / | / | 1 | ||
| 300/5 | 5 | 5 | / | / | 1 | ||
| 400/5 | 5 | 5 | / | / | 1 | ||
| 500/5 | 10 | 10 | 5 | 5 | 1 | ||
| 600/5 | 10 | 10 | 5 | 5 | 1 | ||
| BH-0.66 50 I | 150/5 | 2.5 | / | / | / | 1 | Figure 5 |
| 200/5 | 5 | 2.5 | / | / | 1 | ||
| 250/5 | 5 | 5 | / | / | 1 | ||
| 300/5 | 5 | 5 | / | / | 1 | ||
| 400/5 | 5 | 5 | / | / | 1 | ||
| 500/5 | 10 | 10 | 5 | 5 | 1 | ||
| 600/5 | 10 | 10 | 5 | 5 | 1 | ||
| 750/5 | 10 | 10 | 10 | 10 | 1 | ||
| 800/5 | 10 | 10 | 10 | 10 | 1 | ||
| 1000/5 | 10 | 10 | 10 | 10 | 1 | ||
| 1200/5 | 20 | 20 | 20 | 20 | 1 | ||
| BH-0.66 60 I | 200/5 | 5 | / | / | / | 1 | Figure 6 |
| 250/5 | 5 | 5 | / | / | 1 | ||
| 300/5 | 5 | 5 | / | / | 1 | ||
| 400/5 | 5 | 5 | / | / | 1 | ||
| 500/5 | 10 | 10 | 5 | 5 | 1 | ||
| 600/5 | 10 | 10 | 5 | 5 | 1 | ||
| 750/5 | 10 | 10 | 10 | 10 | 1 | ||
| 800/5 | 10 | 10 | 10 | 10 | 1 | ||
| 1000/5 | 10 | 10 | 10 | 10 | 1 | ||
| 1200/5 | 20 | 20 | 20 | 20 | 1 | ||
| 1500/5 | 20 | 20 | 20 | 20 | 1 | ||
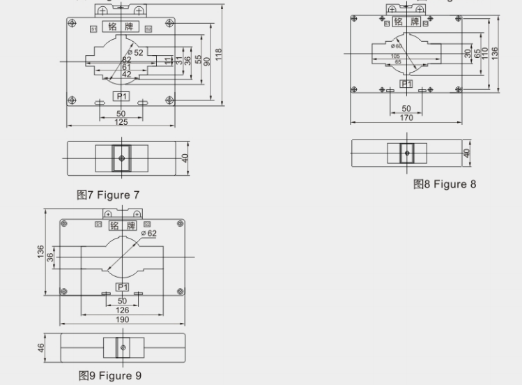
| BH-0.66 80 I | 300/5 | 5 | 5 | / | / | 1 | Figure 7 |
| 400/5 | 5 | 5 | / | / | 1 | ||
| 500/5 | 10 | 10 | / | / | 1 | ||
| 600/5 | 10 | 10 | / | / | 1 | ||
| 750/5 | 10 | 10 | 10 | 10 | 1 | ||
| 800/5 | 10 | 10 | 10 | 10 | 1 | ||
| 1000/5 | 10 | 10 | 10 | 10 | 1 | ||
| 1200/5 | 20 | 20 | 20 | 20 | 1 | ||
| 1500/5 | 20 | 20 | 20 | 20 | 1 | ||
| 2000/5 | 20 | 20 | 20 | 20 | 1 | ||
| BH-0.66 100 I | 600/5 | 10 | 10 | / | / | 1 | Figure 8 |
| 750/5 | 10 | 10 | 10 | 10 | 1 | ||
| 800/5 | 10 | 10 | 10 | 10 | 1 | ||
| 1000/5 | 10 | 10 | 10 | 10 | 1 | ||
| 1200/5 | 20 | 20 | 20 | 20 | 1 | ||
| 1500/5 | 20 | 20 | 20 | 20 | 1 | ||
| 2000/5 | 20 | 20 | 20 | 20 | 1 | ||
| 2500/5 | 40 | 40 | 40 | 40 | 1 | ||
| BH-0.66 120 I | 1000/5 | 10 | 10 | 10 | 10 | 1 | Figure 9 |
| 1200/5 | 20 | 20 | 20 | 20 | 1 | ||
| 1500/5 | 20 | 20 | 20 | 20 | 1 | ||
| 2000/5 | 20 | 20 | 20 | 20 | 1 | ||
| 2500/5 | 40 | 40 | 40 | 40 | 1 | ||
| 3000/5 | 40 | 40 | 40 | 40 | 1 | ||
| 4000/5 | 40 | 40 | 40 | 40 | 1 | ||
Drawing and dimention


Contact: Lankecms
Phone: 13933336666
E-mail: Lankecms@163.com
Add: Guangdong Province, China TianHe District, GuangZhou Num 899