
Type designation

Technical data
| Type | Rated current ratio(kV) | Rated secondary output(VA) | Crcss-core turn number | Notes | ||||
| class1 | class0.5 | class0.5S | class0.2 | class0.2S | ||||
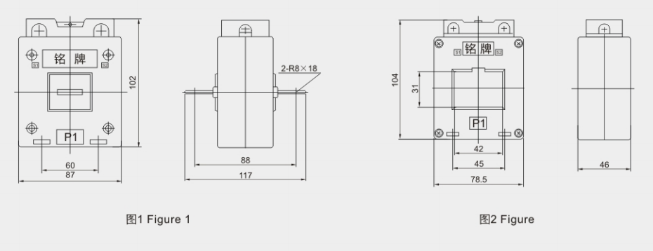
| SDH-0.66 Ⅱ(solid) | 5/5 | 10 | 5 | 5 | 5 | 5 | / | Figure 1 |
| 10/5 | 10 | 5 | 5 | 5 | 5 | / | ||
| 15/5 | 10 | 5 | 5 | 5 | 5 | / | ||
| 20/5 | 10 | 5 | 5 | 5 | 5 | / | ||
| 30/5 | 10 | 5 | 5 | 5 | 5 | / | ||
| 40/5 | 10 | 5 | 5 | 5 | / | |||
| 50/5 | 10 | 5 | 5 | 5 | 5 | / | ||
| 75/5 | 10 | 5 | 5 | 5 | 5 | / | ||
| 100/5 | 10 | 5 | 5 | 5 | 5 | / | ||
| SDH-0.66/40 Ⅱ | 150/5 | 5 | 2.5 | / | / | / | 1 | Figure 2 |
| 200/5 | 5 | 5 | / | / | / | 1 | ||
| 250/5 | 5 | 5 | / | / | / | 1 | ||
| 300/5 | 5 | 5 | / | / | / | 1 | ||
| 400/5 | 5 | s | / | / | / | 1 | ||
| 500/5 | 10 | 10 | 5 | 5 | 5 | 1 | ||
| 600/5 | 10 | 10 | 5 | 5 | 5 | 1 | ||
| 750/5 | 10 | 10 | 10 | 10 | 10 | 1 | ||
| 150/1 | 5 | 5 | / | / | / | 1 | ||
| 200/1 | 5 | 5 | / | / | / | 1 | ||
| 250/1 | 5 | 5 | / | / | / | 1 | ||
| 300/1 | 5 | 5 | / | / | / | 1 | ||
| 400/1 | 5 | 5 | / | / | / | 1 | ||
| 500/1 | 10 | 10 | / | 5 | / | 1 | ||
| 600/1 | 10 | 10 | / | 5 | / | 1 | ||
| SDH-0.66/50 Ⅱ | 150/5 | 2.5 | 5 | / | / | / | 1 | Figure 3 |
| 200/5 | 5 | 5 | / | / | / | 1 | ||
| 250/5 | 5 | 5 | / | / | / | 1 | ||
| 300/5 | 5 | 5 | / | / | / | 1 | ||
| 400/5 | 5 | 5 | / | / | / | 1 | ||
| 500/5 | 10 | 10 | 5 | 5 | 5 | 1 | ||
| 600/5 | 10 | 10 | 5 | 5 | 5 | 1 | ||
| 750/5 | 10 | 10 | 10 | 10 | 5 | 1 | ||
| 800/5 | 10 | 10 | 10 | 10 | 5 | 1 | ||
| 1000/5 | 10 | 10 | 10 | 10 | 5 | 1 | ||
| 1200/5 | 20 | 20 | 20 | 20 | 5 | 1 | ||
| 150/1 | 2.5 | 1 | / | / | / | 1 | ||
| 200/1 | 5 | 2.5 | / | / | / | 1 | ||
| 250/1 | 5 | 2.5 | / | / | / | 1 | ||
| 300/1 | 5 | 5 | / | / | / | 1 | ||
| 400/1 | 5 | 5 | / | / | / | 1 | ||
| 500/1 | 10 | 10 | / | 5 | / | 1 | ||
| 600/1 | 10 | 10 | / | 5 | / | 1 | ||
| 750/1 | 10 | 10 | / | 10 | / | 1 | ||
| 800/1 | 10 | 10 | / | 10 | / | 1 | ||
| 1000/1 | 10 | 10 | / | 10 | / | 1 | ||
| SDH-0.66/60 Ⅱ | 200/5 | 5 | 5 | / | / | / | 1 | Figure 4 |
| 250/5 | 5 | 5 | / | / | / | 1 | ||
| 300/5 | 5 | 5 | / | / | / | 1 | ||
| 400/5 | 5 | 5 | / | / | / | 1 | ||
| 500/5 | 10 | 10 | / | / | / | 1 | ||
| 600/5 | 10 | 10 | 5 | 5 | 5 | 1 | ||
| 750/5 | 10 | 10 | 5 | 5 | 5 | 1 | ||
| 800/5 | 10 | 10 | 10 | 10 | 5 | 1 | ||
| 1000/5 | 10 | 10 | 10 | 10 | 5 | 1 | ||
| 1200/5 | 20 | 20 | 10 | 10 | 5 | 1 | ||
| 1500/5 | 20 | 20 | 20 | 20 | 5 | 1 | ||
| 200/1 | 5 | 5 | 20 | 20 | 10 | 1 | ||
| 250/1 | 5 | 5 | / | / | / | 1 | ||
| 300/1 | 5 | 5 | / | / | / | 1 | ||
| 400/1 | 5 | 5 | / | / | / | 1 | ||
| 500/1 | 10 | 10 | / | / | / | 1 | ||
| 600/1 | 10 | 10 | / | / | / | 1 | ||
| 750/1 | 10 | 10 | / | 10 | / | 1 | ||
| 800/1 | 10 | 10 | / | 10 | / | 1 | ||
| 1000/1 | 10 | 10 | / | 10 | / | 1 | ||
| 1200/1 | 20 | 20 | / | 20 | / | 1 | ||
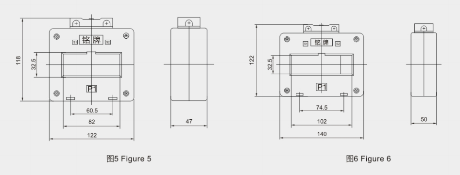
| SDH-0.66/80 Ⅱ | 600/5 | 10 | 10 | / | / | / | 1 | Figure 5 |
| 750/5 | 10 | 10 | / | / | / | 1 | ||
| 800/5 | 10 | 10 | 10 | 10 | 5 | 1 | ||
| 1000/5 | 10 | 10 | 10 | 10 | 5 | 1 | ||
| 1200/5 | 20 | 20 | 20 | 20 | 5 | 1 | ||
| 1500/5 | 20 | 20 | 20 | 20 | 10 | 1 | ||
| May-00 | 20 | 20 | 20 | 20 | 10 | 1 | ||
| 600/1 | 10 | 10 | / | / | / | 1 | ||
| 750/1 | 10 | 10 | / | 10 | / | 1 | ||
| 800/1 | 10 | 10 | / | 10 | / | 1 | ||
| 1000/1 | 10 | 10 | / | 10 | / | 1 | ||
| 1200/1 | 20 | 20 | / | 20 | / | 1 | ||
| 1500/1 | 20 | 20 | / | 20 | / | 1 | ||
| SDH-0.66/100 Ⅱ | 1000/5 | 10 | 10 | 10 | 10 | 5 | 1 | Figure 6 |
| 1200/5 | 20 | 20 | 20 | 20 | 5 | 1 | ||
| 1500/5 | 20 | 20 | 20 | 20 | 10 | 1 | ||
| 2000/5 | 20 | 20 | 20 | 20 | 10 | 1 | ||
| 2500/5 | 40 | 40 | 40 | 40 | 10 | 1 | ||
| 1000/1 | 10 | 10 | / | 10 | / | 1 | ||
| 1200/1 | 20 | 20 | / | 20 | / | 1 | ||
| 1500/1 | 20 | 20 | / | 20 | / | 1 | ||
| 2000/1 | 20 | 20 | / | 20 | / | 1 | ||
Drawing and dimention





Contact: Lankecms
Phone: 13933336666
E-mail: Lankecms@163.com
Add: Guangdong Province, China TianHe District, GuangZhou Num 899