
Type designation

Technical data
| Type | Rated voltage ratio(V) | Accuracy class and rated output(VA) | Maxoutput(VA) | Rated insulation level(kV) | |||
| 0.2 | 0.5 | 1 | 6P | ||||
| JDZ9-10 | 10000/100 | 30 | 100 | 200 | 600 | 12/42/75 | |
| JDZ9-6 | 6000/100 | 600 | 7.2/32/60 | ||||
| JDZ9-3 | 3000/100 | 3.6/25/40 | |||||
| JDZF9-10 | 10000/100/100 | 20 | 20 | 80 | 2*300 | 12/42/75 | |
| JDZF9-6 | 6000/100/100 | 7.2/32/60 | |||||
| JDZF9-3 | 3000/100/100 | 3.6/25/40 | |||||
| JDZX9-10G | 10000/√3/100/√3/100/3 | 20 | 30 | 100 | 100 | 500 | 12/42/75 |
| JDZX9-6G | 6000/√3/100/√3/100/3 | 7.2/32/60 | |||||
| JDZX9-3G | 3000/√3/100/√3/100/3 | 3.6/25/40 | |||||
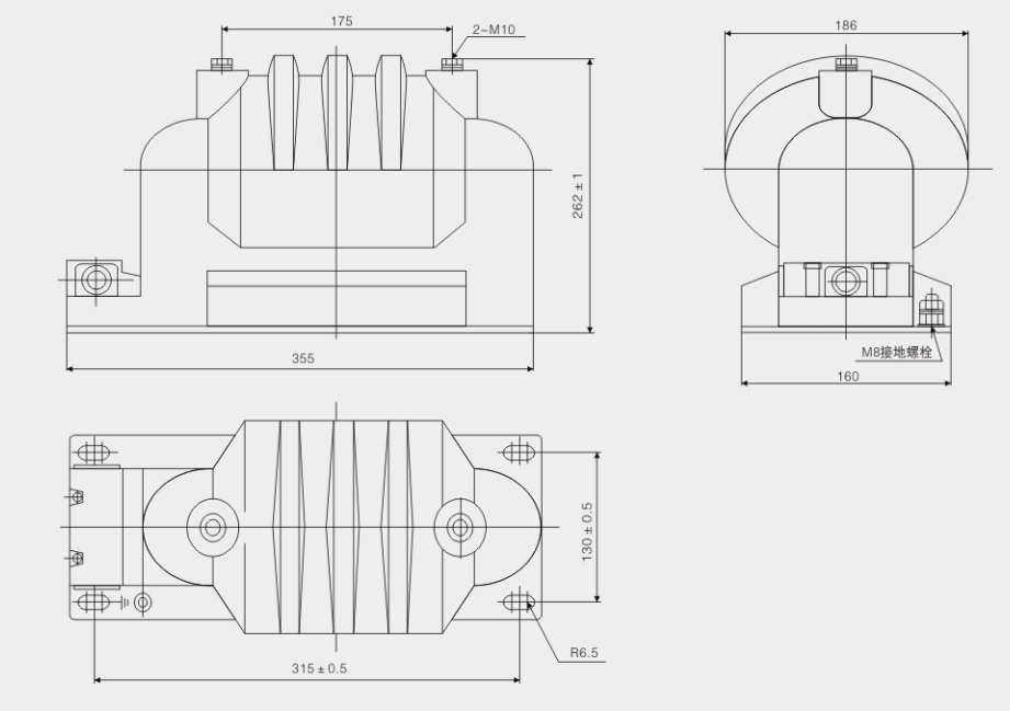
Drawing and dimention

Principle diagram

Contact: Lankecms
Phone: 13933336666
E-mail: Lankecms@163.com
Add: Guangdong Province, China TianHe District, GuangZhou Num 899