
Type designation

Technical data
| Type | Rated voltage ratio(V) | Accuracy class combination | Rated output(VA) | Max output(VA) | Rated insulation level(kV) |
| JDZW-35 | 35000/100 | 0.2 | 75 | 1000 | 40.5/95/200 |
| 0.5 | 100 | ||||
| JDZFW-35 | 35000/100/100 | 0.2/0.2 | 30/30 | 2x500 | |
| 0.2/0.5 | 30/60 | ||||
| 0.5/0.5 | 60/60 | ||||
| JDZXW-35 | 35000/√3/100/ √3/100/3 | 0.2/6P | 40/100 | 1000 | |
| 0.5/6P | 80/100 | ||||
| JDZXFW-35 | 35000/√3/100/ √3/100/√3/100/3 | 0.2/0.2/6P | 20/20/100 | 2x400 | |
| 0.2/0.5/6P | 25/25/100 | ||||
| 0.5/0.5/6P | 40/40/100 |
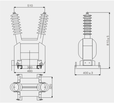
Drawing and dimention

Principle diagram

Contact: Lankecms
Phone: 13933336666
E-mail: Lankecms@163.com
Add: Guangdong Province, China TianHe District, GuangZhou Num 899